有趣生活

当前位置:首页>科技> 麦克斯韦的理论预言:赫兹的电磁波实验

麦克斯韦的理论预言:赫兹的电磁波实验

发布时间:2025-10-27阅读( 22)

上一回我们说到麦克斯韦对电磁学的贡献:他对安培环路定律进行修正,总结前人的研究而得出著名的麦克斯韦方程组,从方程组中得出光速,并大胆推断光就是一种电磁波。然而,麦克斯韦的理论在当时并没有得到广泛的认可和接受,因为它缺乏直接的实验证据。直到1888年,德国物理学家赫兹才用他的天才和创造力,设计了一系列精妙的实验,成功地产生和检测了电磁波,从而验证了麦克斯韦的理论。

赫兹是一位杰出的实验物理学家,他对麦克斯韦的理论深信不疑,并决心用实验来证明它。在1888年,赫兹成功地利用一个火花间隙作为发射器,产生了高频率(约50MHz)的无线电波,并用一个环形接收器来检测它们。他还观察到了无线电波的反射、折射、干涉、偏振等现象,证明了它们与可见光具有相同的性质。

从方程组得出光速

为了简化问题,我们假设在真空中没有自由电荷和电流,即ρ=0,J=0。那么麦克斯韦方程组就变成了:

从波动方程中,我们可以看出电场和磁场都具有波动性质,并且它们在真空中的传播速度与με有关,这个速度正好等于光速c。因此,麦克斯韦认为光就是一种特殊频率的电磁波。这个假说是一个革命性的突破,它将光学和电磁学联系起来,为物理学的统一提供了一个新的视角。

赫兹实验

虽然麦克斯韦推导出光是电磁波,但是这个理论还需要实验来证实。这个任务由德国物理学家海因里希·赫兹在1887年至1888年间完成。

摘自: www.ws46.com

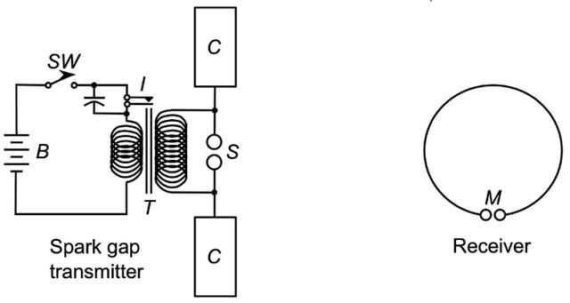
赫兹为了产生电磁波,使用了一个由两个球形端子和一个火花间隙组成的振荡电路。这个电路通过一个高压感应线圈来供电,当感应线圈的开关关闭时,会在端子之间产生一个高压脉冲,导致火花间隙放电,并形成一个振荡电流。这个振荡电流就相当于一个变化的电偶极子,根据麦克斯韦的理论,它会辐射出电磁波。

赫兹用一个简单的公式来估计他产生的电磁波的频率,并且赫兹计算出他的振荡电路可以产生约50MHz的无线电波。

赫兹为了检测他产生的电磁波,使用了一个由一个环形导线和一个微小的火花间隙组成的接收器。这个接收器相当于一个谐振回路,当它接收到与它自身频率相同或相近的无线电波时,就会在火花间隙处产生微弱的放电。

赫兹通过调节发射器和接收器之间的距离、方向和位置,观察接收器上是否有火花放电,从而判断是否有电磁波传播。赫兹发现,在他的实验室里,他可以在距离发射器几米远的地方检测到无线电波。

他还用了一些其他物体来遮挡、反射、折射或偏振电磁波,以证明它们具有与光相同的性质。例如,无线电波可以被金属板反射,从而形成干涉和衍射现象。他还测量了电磁波的波长和频率,并计算出它们的传播速度与光速相等。

赫兹的实验成功地验证了麦克斯韦方程组的预言,证明了光是一种特殊的电磁波,并且开创了无线电通信的新时代。为了纪念他对于电磁学的贡献,频率的国际单位制以他的名字命名。

TAGS标签:   麦克斯   理论   预言   赫兹   电磁波   麦克斯韦的理论预言

相关文章

Copyright © 2024 有趣生活 All Rights Reserve吉ICP备19000289号-5 TXT地图HTML地图XML地图