有趣生活

当前位置:首页>生活>实验7 空气扩散系统中氧的总转移系数的测定

实验7 空气扩散系统中氧的总转移系数的测定

发布时间:2025-10-28阅读(0)

1实验目的

1掌握空气扩散系统中氧的总转移系数的测定方法;

2加深对双膜理论机理的认识及其影响因素。

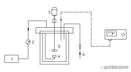
2实验装置和试剂

1实验装置

实验装置包括玻璃水槽、电动搅拌器、温度控制仪、曝气装置、溶解氧瓶,实验装置见图7-1

空气扩散系数中氧的总转移系数的测定装置图

(1—空压机;2—温式流量计;3—电机;4—扩散器;

5—反应器;6—取样管;7—7151DM型控温)

玻璃水槽

电动搅拌器

溶解氧瓶

(2)实验试剂:(a)Na2SO3饱和溶液;(b)1%的CoCl2·6H2O溶液 ;(c)0.1mol/L碘溶液;(d)0.025mol/LNa2S2O3。

4、实验步骤

1缸内注满清水;

2调整温度,本试验采用15202530℃

根据测定实验温度,开动搅拌器和控温仪,使水温稳定于实验要求的温度;摘自: www.ws46.com

3开空气压缩机调整空气流量,调到1L/min~1.5L/min,调好后关空压机;

4加入Na

欢迎分享转载→http://www.youqulife.com/read-750946.html

相关文章

    Copyright © 2024 有趣生活 All Rights Reserve吉ICP备19000289号-5 TXT地图HTML地图XML地图